Separator magnetyczny do ciekłych mieszanin MF 100/1-70-EKO-N-4-80-S-P




Urządzenie przeznaczone jest do separacji zanieczyszczeń metalicznych z substancji i mieszanin, które nie są niebezpieczne zgodnie z art. 13 dyrektywy 2014/68/UE (PED) - grupa substancji i mieszanin 2. Te przepływowe separatory magnetyczne nie należą zgodnie z 2014/68/UE do żadnej kategorii urządzeń ciśnieniowych (art. 4 ust. 3). Więcej informacji znaleźć można na: www.magneticke-separatory.cz (otworzy się w nowym oknie)
Więcej informacji znaleźć można na: www.magnetic-separators.info (otworzy się w nowym oknie)
METODA TESTOWANIA
Procedura pomiaru indukcji magnetycznej
Pomiar wykonywany jest za pomocą standardowego miernika Gaussa, w miejscu o konstrukcyjnie najwyższej wartości indukcji magnetycznej - w miejscu nabiegunników lub też w najniższym punkcie łuku obwodu magnetycznego. Średnia indukcja magnetyczna wyliczana jest na podstawie 3 powtórzeń testu, każdorazowo przeprowadzonego w innym miejscu obwodu magnetycznego.
Procedura pomiaru siły oderwania
Pomiar przeprowadza się przy użyciu standardowego etalonu z polerowanej stali o średnicy 10 mm i wysokości 20 mm. Pomiar wykonywany jest w miejscu o konstrukcyjnie największej sile oderwania - w miejscu nabiegunników lub też w najniższym punkcie łuku obwodu magnetycznego. Rejestruje się siła, z jaką oderwany został etalon. Średnia siły oderwania wyliczana jest na podstawie 3 powtórzeń testu.
Do wiadomości 10 N = ok. 1 kg.
Wynikowa siła oderwania zależy od wielu czynników - np. wymiarów etalonu, szczeliny powietrznej między etalonem a badanym obwodem magnetycznym, obróbki powierzchni etalonu itp.
Podane wartości siły rozrywania dla niektórych produktów zostały zmierzone w idealnych warunkach określonych przez środowisko testowe. Wartości te mogą się jednak różnić w zależności od konkretnego rodzaju środowiska, w którym na przykład warunki pracy i późniejsze zużycie mogą wpływać na skuteczność produktu. Pomiary nie zostały jednak wykonane dla wszystkich produktów i w takich przypadkach stanowią jedynie szacunki lub wewnętrzne obliczenia pomocnicze sprzedawcy. Podane wartości należy zatem traktować jako orientacyjne, a Sprzedawca oświadcza, że nie stanowią one opisu towarów pod względem cech uzgodnionych w umowie sprzedaży na podstawie art. 6 lit. a) dyrektywy Parlamentu Europejskiego i Rady (UE) 2019/771 z dnia 20 maja 2019 r. w sprawie niektórych aspektów umów sprzedaży towarów, zmieniającej rozporządzenie (UE) 2017/2394 i dyrektywę 2009/22/WE oraz uchylającej dyrektywę 1999/44/WE. W celu określenia dokładnej wartości siły zrywającej w konkretnym przypadku konieczne jest przeprowadzenie rzeczywistego pomiaru. W przypadku, gdy wykryte wartości siły odrywającej nie są dla Ciebie wystarczające, ponieważ nie odpowiadają podanym wartościom, możesz skorzystać z gwarantowanej opcji zwrotu w ciągu 30 dni na warunkach określonych tutaj: https://e-shop.magsy.pl/zwrot-towaru/ i zakupić silniejszy magnes. Te 30 dni służą jedynie do przetestowania towarów, po czym sprzedawca może odmówić zwrotu.
Parametry dodatkowe
| Kategoria: | Przepływowe separatory magnetyczne |
|---|---|
| EAN: | 8595134063332 |
| Indukcja magnetyczna na powierzchni płaszcza: | 10.200 Gs |
| Indukcja magnetyczna na rdzeniu: | 14.500 Gs |
| Liczba płaszczy: | Jednopłaszczowy |
| Liczba rur: | 4 |
| Masa całkowita: | 12 kg |
| Masa rdzenia magnetycznego: | 8,7 kg |
| Najwyższe dopuszczalne ciśnienie:: | 6 bar |
| Obróbka powierzchniowa korpusu: | Obróbka powierzchni szklanymi mikrokulkami |
| Obróbka powierzchniowa rusztów i rur: | Polerowanie, wartość Ra mniejsza niż: 0,1 µm |
| Odporność termiczna magnesów: | 80 °C (176°F) – najwyższa dopuszczalna temperatura robocza |
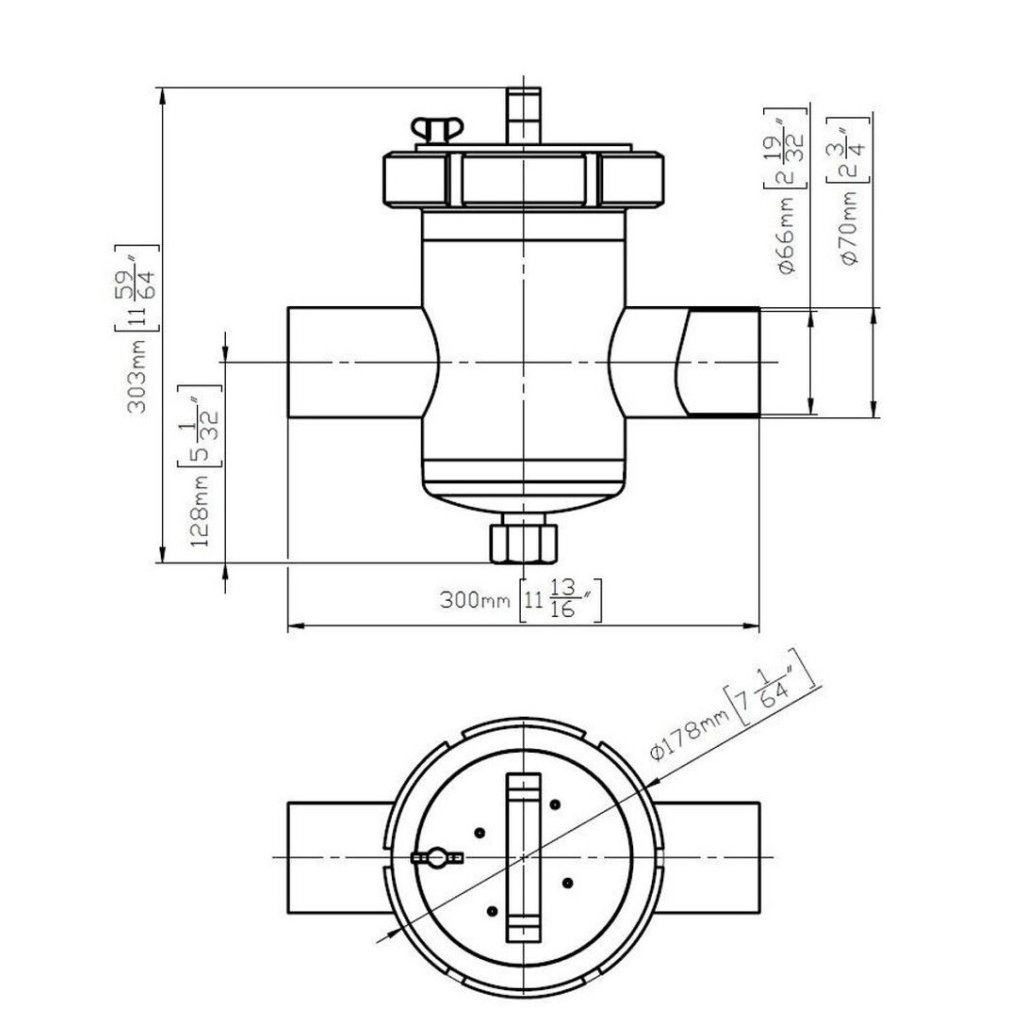
| Podłączenie: | Hladká trubka ø 70 x 2 mm (2 3 ⁄4 x 0 5 ⁄64 in); materiál: 1.4301 |
| Siła oderwania na płaszczu: | 93 N |
| Siła oderwania na rdzeniu: | 118 N |
| Tworzywo: | Stal nierdzewna DIN 1.4301, EN 10088, (X5CrNi 18-10), ČSN 17240, AISI 304, AKV 7 |
| Uszczelnienie: | Silikon - dopuszczony także do kontaktu z żywnością (ATEST) |
| Wejście/wyjście: | 66 mm |
| Wersja: | ECO |
| Způsob čištění:: | Ręczne |
| Pozycja została wyprzedana… | |
Video
Opinie
Bądź pierwszą osobą, która napisze opinię do tego produktu.
